様々な資格の模試がネット上で無料で出来るサイトです
モシネットメインバナー画像

平成30年度 第二種電気工事士 下期筆記試験の模試

試験の説明

一般用電気工作物の保安に関して必要な知識及び技能について、筆記試験及び技能試験により行います。
筆記試験申込者及び筆記試験免除対象者は、上期試験、下期試験の両方の受験が可能です。なお、筆記試験を上期試験、技能試験を下期試験とする申込みはできません。

次に掲げる内容について試験を行い、解答方式はマークシートに記入する四肢択一方式により行います。

(1)電気に関する基礎理論
(2)配電理論及び配線設計
(3)電気機器・配線器具並びに電気工事用の材料及び工具
(4)電気工事の施工方法
(5)一般用電気工作物の検査方法
(6)配線図
(7)一般用電気工作物の保安に関する法令

本問題の計算で√2及び√3及び円周率πを使用する場合の数値は次によること。
√2 = 1.41
√3 = 1.73
π = 3.14

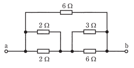
問1

図のような回路で、端子a-d間の合成抵抗「Ω」は。


問2

図のような交流回路において、抵抗12Ωの両端の電圧Vは。


問3

直径2.6mm、長さ10mの銅導線と抵抗値が最も近い銅材質の銅導線は。


問4

電熱器により、60kgの水の温度を20K上昇させるのに必要な電力[kW・h]は。
ただし、水の比熱は4.2kj(kg・K)とし、熱効率は100%とする。


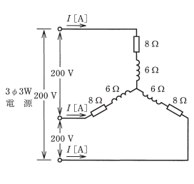
問5

図のような三相3線式回路に流れる電流I[A]は。


問6

図のように、電線のこう長8mの配線により、消費電力2,000Wの抵抗負荷に電力を供給した結果、負荷の両端の電圧は100Vであった。配線における電圧降下[V]は。
ただし、電線の電気抵抗は長さ1,000mあたり3.2Ωとする。


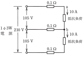
問7

図のような単相3線式回路において、電線1線あたりの抵抗が0.1Ωのとき、a-b間の電圧[V]は。


問8

低圧屋内配線工事に使用する600Vビニル絶縁ビニルシースケーブル丸型(銅導体)、導体の直径2.0mm、3心の許容電流[A]は。
ただし、周囲温度は30℃以下、電流減少係数0.70とする。


問9

図のように定格電流125Aの過電流遮断器で保護された低圧屋内幹線から分岐して、10mの位置に過電流遮断器を施設するとき、a-b間の電線の許容電流の最小値[A]は。


問10

低圧屋内配線の分岐回路の設計で、配線用遮断器、分岐回路の電線の太さ及びコンセントの組合せとして、適切なものは次のうちどれか。
ただし、分岐点から配線用遮断器までは3m、配線用遮断器からコンセントまでは8mとし、電線の数値は分岐回路の電線(軟銅線)の太さを示す。また、コンセントは兼用コンセントではないものとする。


問11

漏電遮断器に関する記述として誤っているものは。


問12

低圧の地中配線を直接埋没式により施設する場合に使用できるものは。


問13

極数6の三相かご形誘導電動機を周波数50Hzで使用するとき、最も近い回転速度は。


問14

電気工事の種類と、その工事で使用する工具の組合せとして、適切なものは。


問15

系統連系形の太陽電池発電施設において使用される機器は。


問16

写真に示す材料の名称は。
なお、材料の表面には「タイシガイセンEM600V EEF/F1.6mm JIS JET<PS>E○○社タイネン 2017」が記されている。


問17

写真に示す器具の用途は。


問18

写真に示す工具の用途は。


問19

単相100Vの屋内配線工事における絶縁電線相互の接続で、不適切なものは。


問20

木造住宅の金属板張り(金属系サイディング)の壁を貫通する部分の低圧屋内配線工事として、適切なものは。
ただし、金属管工事、金属可とう電線管工事に使用する電線は600Vビニル絶縁電線とする。


問21

木造住宅の単相3線式100/200V屋内配線工事で、不適切な公示方法は。


問22

機械器具の金属製外箱に施すD種接地工事に関する記述で、不適切なものは。


問23

低圧屋内配線工事で、600Vビニル絶縁電線を金属管に収めて使用する場合、その電線の許容電流を求めるための電流減少係数に関して、同一管内の電線数と電線の電流現象係数との組合せで、誤っているものは。
ただし、周囲温度は30℃とする。


問24

アナログ式回路計(電池内蔵)の回路抵抗測定に関する記述として、誤っているものは。


問25

単相3線式100/200V屋内配線で、絶縁被覆の色が赤色・白色・黒色の3種類の電線が使用されていた。この屋内配線で電線相互間及び電線と大地間の電圧を測定した。その結果として電圧の組合せで、適切なのは。
ただし、中性線は白色とする。


問26

直読式接地抵抗計を用いて、接地抵抗を測定する場合、被測定接地極Eに対する、2つの補助接地極P(電圧用)及びC(電流用)の配置として、最も適切なのは


問27

図のような単相3線式回路で、開閉器を閉じて機器Aの両端の電圧を測定したところ120Vを示した。この原因として、考えられるものは。


問28

電気工事士の義務又は制限に関する記述として、誤っているものは。


問29

電気用品安全法において、特定電気用品の適用をうけるものは。


問30

「電気設備に関する技術基準を定める省令」における電圧の低圧区分の組合せで、正しいものは。


問31

図は、鉄骨軽量コンクリート造店舗平屋建の配線図である。
この図に関する下記の問題に答えなさい。

------------
①で示す部分は自動点滅器の傍記表示である。
正しいものは。
------------

【注意】
1.屋内配線の工事は、特記のある場合を除き600Vビニル絶縁ビニルシールケーブル平形(VVF)を用いたケーブル工事である。
2.屋内配線等の電線の本数、電線の太さ、その他、問いに直接関係のない部分等は省略・簡略化してある。
3.漏電遮断器は、定格感度電流30mA、動作時間0,1秒以内のものを使用している。
4.選択肢(答え)の写真にあるコンセント及び点滅器は、「JIS C 0303:2000 機内電気設備の配線用図記号」で示す「一般形」である。
5.電灯分電盤及び動力分電盤の外箱は金属製である。
6.ジョイントボックスを経由する電線は、すべて接続箇所を設けている。
7.3路スイッチの記号「0」の端子には、電源側又は負荷側の電線を結線する。


問32

図は、鉄骨軽量コンクリート造店舗平屋建の配線図である。
この図に関する下記の問題に答えなさい。

------------
②で示す部分は図記号の名称は。
------------

【注意】
1.屋内配線の工事は、特記のある場合を除き600Vビニル絶縁ビニルシールケーブル平形(VVF)を用いたケーブル工事である。
2.屋内配線等の電線の本数、電線の太さ、その他、問いに直接関係のない部分等は省略・簡略化してある。
3.漏電遮断器は、定格感度電流30mA、動作時間0,1秒以内のものを使用している。
4.選択肢(答え)の写真にあるコンセント及び点滅器は、「JIS C 0303:2000 機内電気設備の配線用図記号」で示す「一般形」である。
5.電灯分電盤及び動力分電盤の外箱は金属製である。
6.ジョイントボックスを経由する電線は、すべて接続箇所を設けている。
7.3路スイッチの記号「0」の端子には、電源側又は負荷側の電線を結線する。


問33

図は、鉄骨軽量コンクリート造店舗平屋建の配線図である。
この図に関する下記の問題に答えなさい。

------------
③で示す図記号の器具の取り付け場所は。
------------

【注意】
1.屋内配線の工事は、特記のある場合を除き600Vビニル絶縁ビニルシールケーブル平形(VVF)を用いたケーブル工事である。
2.屋内配線等の電線の本数、電線の太さ、その他、問いに直接関係のない部分等は省略・簡略化してある。
3.漏電遮断器は、定格感度電流30mA、動作時間0,1秒以内のものを使用している。
4.選択肢(答え)の写真にあるコンセント及び点滅器は、「JIS C 0303:2000 機内電気設備の配線用図記号」で示す「一般形」である。
5.電灯分電盤及び動力分電盤の外箱は金属製である。
6.ジョイントボックスを経由する電線は、すべて接続箇所を設けている。
7.3路スイッチの記号「0」の端子には、電源側又は負荷側の電線を結線する。


問34

図は、鉄骨軽量コンクリート造店舗平屋建の配線図である。
この図に関する下記の問題に答えなさい。

------------
④で示す部分に使用するコンセントの極配置(刃受)は。
------------

【注意】
1.屋内配線の工事は、特記のある場合を除き600Vビニル絶縁ビニルシールケーブル平形(VVF)を用いたケーブル工事である。
2.屋内配線等の電線の本数、電線の太さ、その他、問いに直接関係のない部分等は省略・簡略化してある。
3.漏電遮断器は、定格感度電流30mA、動作時間0,1秒以内のものを使用している。
4.選択肢(答え)の写真にあるコンセント及び点滅器は、「JIS C 0303:2000 機内電気設備の配線用図記号」で示す「一般形」である。
5.電灯分電盤及び動力分電盤の外箱は金属製である。
6.ジョイントボックスを経由する電線は、すべて接続箇所を設けている。
7.3路スイッチの記号「0」の端子には、電源側又は負荷側の電線を結線する。


問35

図は、鉄骨軽量コンクリート造店舗平屋建の配線図である。
この図に関する下記の問題に答えなさい。

------------
⑤で示す部分の配線で(VE28)とあるのは。
------------

【注意】
1.屋内配線の工事は、特記のある場合を除き600Vビニル絶縁ビニルシールケーブル平形(VVF)を用いたケーブル工事である。
2.屋内配線等の電線の本数、電線の太さ、その他、問いに直接関係のない部分等は省略・簡略化してある。
3.漏電遮断器は、定格感度電流30mA、動作時間0,1秒以内のものを使用している。
4.選択肢(答え)の写真にあるコンセント及び点滅器は、「JIS C 0303:2000 機内電気設備の配線用図記号」で示す「一般形」である。
5.電灯分電盤及び動力分電盤の外箱は金属製である。
6.ジョイントボックスを経由する電線は、すべて接続箇所を設けている。
7.3路スイッチの記号「0」の端子には、電源側又は負荷側の電線を結線する。


問36

図は、鉄骨軽量コンクリート造店舗平屋建の配線図である。
この図に関する下記の問題に答えなさい。

------------
⑥で示す部分の接地工事の種類及びその接地抵抗の許容される最大値[Ω]の組合せとして正しいものは。
なお、引込線の電源側には地絡遮断装置は設置されていない。
------------

【注意】
1.屋内配線の工事は、特記のある場合を除き600Vビニル絶縁ビニルシールケーブル平形(VVF)を用いたケーブル工事である。
2.屋内配線等の電線の本数、電線の太さ、その他、問いに直接関係のない部分等は省略・簡略化してある。
3.漏電遮断器は、定格感度電流30mA、動作時間0,1秒以内のものを使用している。
4.選択肢(答え)の写真にあるコンセント及び点滅器は、「JIS C 0303:2000 機内電気設備の配線用図記号」で示す「一般形」である。
5.電灯分電盤及び動力分電盤の外箱は金属製である。
6.ジョイントボックスを経由する電線は、すべて接続箇所を設けている。
7.3路スイッチの記号「0」の端子には、電源側又は負荷側の電線を結線する。


問37

図は、鉄骨軽量コンクリート造店舗平屋建の配線図である。
この図に関する下記の問題に答えなさい。

------------
⑦で示す箇所に設置する機器の図記号は。
------------

【注意】
1.屋内配線の工事は、特記のある場合を除き600Vビニル絶縁ビニルシールケーブル平形(VVF)を用いたケーブル工事である。
2.屋内配線等の電線の本数、電線の太さ、その他、問いに直接関係のない部分等は省略・簡略化してある。
3.漏電遮断器は、定格感度電流30mA、動作時間0,1秒以内のものを使用している。
4.選択肢(答え)の写真にあるコンセント及び点滅器は、「JIS C 0303:2000 機内電気設備の配線用図記号」で示す「一般形」である。
5.電灯分電盤及び動力分電盤の外箱は金属製である。
6.ジョイントボックスを経由する電線は、すべて接続箇所を設けている。
7.3路スイッチの記号「0」の端子には、電源側又は負荷側の電線を結線する。


問38

図は、鉄骨軽量コンクリート造店舗平屋建の配線図である。
この図に関する下記の問題に答えなさい。

------------
⑧で示す部分の電路と大地間の絶縁抵抗として、許容される最小値[MΩ]は。
------------

【注意】
1.屋内配線の工事は、特記のある場合を除き600Vビニル絶縁ビニルシールケーブル平形(VVF)を用いたケーブル工事である。
2.屋内配線等の電線の本数、電線の太さ、その他、問いに直接関係のない部分等は省略・簡略化してある。
3.漏電遮断器は、定格感度電流30mA、動作時間0,1秒以内のものを使用している。
4.選択肢(答え)の写真にあるコンセント及び点滅器は、「JIS C 0303:2000 機内電気設備の配線用図記号」で示す「一般形」である。
5.電灯分電盤及び動力分電盤の外箱は金属製である。
6.ジョイントボックスを経由する電線は、すべて接続箇所を設けている。
7.3路スイッチの記号「0」の端子には、電源側又は負荷側の電線を結線する。


問39

図は、鉄骨軽量コンクリート造店舗平屋建の配線図である。
この図に関する下記の問題に答えなさい。

------------
⑨で示す図記号の器具を用いる目的は。
------------

【注意】
1.屋内配線の工事は、特記のある場合を除き600Vビニル絶縁ビニルシールケーブル平形(VVF)を用いたケーブル工事である。
2.屋内配線等の電線の本数、電線の太さ、その他、問いに直接関係のない部分等は省略・簡略化してある。
3.漏電遮断器は、定格感度電流30mA、動作時間0,1秒以内のものを使用している。
4.選択肢(答え)の写真にあるコンセント及び点滅器は、「JIS C 0303:2000 機内電気設備の配線用図記号」で示す「一般形」である。
5.電灯分電盤及び動力分電盤の外箱は金属製である。
6.ジョイントボックスを経由する電線は、すべて接続箇所を設けている。
7.3路スイッチの記号「0」の端子には、電源側又は負荷側の電線を結線する。


問40

図は、鉄骨軽量コンクリート造店舗平屋建の配線図である。
この図に関する下記の問題に答えなさい。

------------
⑩の部分の最小電線本数(心線数)は。
------------

【注意】
1.屋内配線の工事は、特記のある場合を除き600Vビニル絶縁ビニルシールケーブル平形(VVF)を用いたケーブル工事である。
2.屋内配線等の電線の本数、電線の太さ、その他、問いに直接関係のない部分等は省略・簡略化してある。
3.漏電遮断器は、定格感度電流30mA、動作時間0,1秒以内のものを使用している。
4.選択肢(答え)の写真にあるコンセント及び点滅器は、「JIS C 0303:2000 機内電気設備の配線用図記号」で示す「一般形」である。
5.電灯分電盤及び動力分電盤の外箱は金属製である。
6.ジョイントボックスを経由する電線は、すべて接続箇所を設けている。
7.3路スイッチの記号「0」の端子には、電源側又は負荷側の電線を結線する。


問41

図は、鉄骨軽量コンクリート造店舗平屋建の配線図である。
この図に関する下記の問題に答えなさい。

------------
⑪で示す部分の接続工事をリングスリープで圧着接続する場合のリングスリープの種類、個数及び刻印の組合せで正しいものは。
ただし、写真に示すリングスリーブ中央の○、小、中は刻印を表す。
------------

【注意】
1.屋内配線の工事は、特記のある場合を除き600Vビニル絶縁ビニルシールケーブル平形(VVF)を用いたケーブル工事である。
2.屋内配線等の電線の本数、電線の太さ、その他、問いに直接関係のない部分等は省略・簡略化してある。
3.漏電遮断器は、定格感度電流30mA、動作時間0,1秒以内のものを使用している。
4.選択肢(答え)の写真にあるコンセント及び点滅器は、「JIS C 0303:2000 機内電気設備の配線用図記号」で示す「一般形」である。
5.電灯分電盤及び動力分電盤の外箱は金属製である。
6.ジョイントボックスを経由する電線は、すべて接続箇所を設けている。
7.3路スイッチの記号「0」の端子には、電源側又は負荷側の電線を結線する。


問42

図は、鉄骨軽量コンクリート造店舗平屋建の配線図である。
この図に関する下記の問題に答えなさい。

------------
⑫で示す電線管相互を接続するために使用されるものは。
------------

【注意】
1.屋内配線の工事は、特記のある場合を除き600Vビニル絶縁ビニルシールケーブル平形(VVF)を用いたケーブル工事である。
2.屋内配線等の電線の本数、電線の太さ、その他、問いに直接関係のない部分等は省略・簡略化してある。
3.漏電遮断器は、定格感度電流30mA、動作時間0,1秒以内のものを使用している。
4.選択肢(答え)の写真にあるコンセント及び点滅器は、「JIS C 0303:2000 機内電気設備の配線用図記号」で示す「一般形」である。
5.電灯分電盤及び動力分電盤の外箱は金属製である。
6.ジョイントボックスを経由する電線は、すべて接続箇所を設けている。
7.3路スイッチの記号「0」の端子には、電源側又は負荷側の電線を結線する。


問43

図は、鉄骨軽量コンクリート造店舗平屋建の配線図である。
この図に関する下記の問題に答えなさい。

------------
⑬で示す部分の配線工事で一般的に使用されることのない工具は。
------------

【注意】
1.屋内配線の工事は、特記のある場合を除き600Vビニル絶縁ビニルシールケーブル平形(VVF)を用いたケーブル工事である。
2.屋内配線等の電線の本数、電線の太さ、その他、問いに直接関係のない部分等は省略・簡略化してある。
3.漏電遮断器は、定格感度電流30mA、動作時間0,1秒以内のものを使用している。
4.選択肢(答え)の写真にあるコンセント及び点滅器は、「JIS C 0303:2000 機内電気設備の配線用図記号」で示す「一般形」である。
5.電灯分電盤及び動力分電盤の外箱は金属製である。
6.ジョイントボックスを経由する電線は、すべて接続箇所を設けている。
7.3路スイッチの記号「0」の端子には、電源側又は負荷側の電線を結線する。


問44

図は、鉄骨軽量コンクリート造店舗平屋建の配線図である。
この図に関する下記の問題に答えなさい。

------------
⑭で示す回路の漏れ電流を測定できるものは。
------------

【注意】
1.屋内配線の工事は、特記のある場合を除き600Vビニル絶縁ビニルシールケーブル平形(VVF)を用いたケーブル工事である。
2.屋内配線等の電線の本数、電線の太さ、その他、問いに直接関係のない部分等は省略・簡略化してある。
3.漏電遮断器は、定格感度電流30mA、動作時間0,1秒以内のものを使用している。
4.選択肢(答え)の写真にあるコンセント及び点滅器は、「JIS C 0303:2000 機内電気設備の配線用図記号」で示す「一般形」である。
5.電灯分電盤及び動力分電盤の外箱は金属製である。
6.ジョイントボックスを経由する電線は、すべて接続箇所を設けている。
7.3路スイッチの記号「0」の端子には、電源側又は負荷側の電線を結線する。


問45

図は、鉄骨軽量コンクリート造店舗平屋建の配線図である。
この図に関する下記の問題に答えなさい。

------------
⑮で示す図記号の部分に使用される機器は。
------------

【注意】
1.屋内配線の工事は、特記のある場合を除き600Vビニル絶縁ビニルシールケーブル平形(VVF)を用いたケーブル工事である。
2.屋内配線等の電線の本数、電線の太さ、その他、問いに直接関係のない部分等は省略・簡略化してある。
3.漏電遮断器は、定格感度電流30mA、動作時間0,1秒以内のものを使用している。
4.選択肢(答え)の写真にあるコンセント及び点滅器は、「JIS C 0303:2000 機内電気設備の配線用図記号」で示す「一般形」である。
5.電灯分電盤及び動力分電盤の外箱は金属製である。
6.ジョイントボックスを経由する電線は、すべて接続箇所を設けている。
7.3路スイッチの記号「0」の端子には、電源側又は負荷側の電線を結線する。


問46

図は、鉄骨軽量コンクリート造店舗平屋建の配線図である。
この図に関する下記の問題に答えなさい。

------------
⑯の部分で写真に示す圧着端子と接地線を圧着接続するための工具は。
------------

【注意】
1.屋内配線の工事は、特記のある場合を除き600Vビニル絶縁ビニルシールケーブル平形(VVF)を用いたケーブル工事である。
2.屋内配線等の電線の本数、電線の太さ、その他、問いに直接関係のない部分等は省略・簡略化してある。
3.漏電遮断器は、定格感度電流30mA、動作時間0,1秒以内のものを使用している。
4.選択肢(答え)の写真にあるコンセント及び点滅器は、「JIS C 0303:2000 機内電気設備の配線用図記号」で示す「一般形」である。
5.電灯分電盤及び動力分電盤の外箱は金属製である。
6.ジョイントボックスを経由する電線は、すべて接続箇所を設けている。
7.3路スイッチの記号「0」の端子には、電源側又は負荷側の電線を結線する。


問47

図は、鉄骨軽量コンクリート造店舗平屋建の配線図である。
この図に関する下記の問題に答えなさい。

------------
⑰で示す図記号の器具は。
ただし、写真下の図は、接点の構成を示す。
------------

【注意】
1.屋内配線の工事は、特記のある場合を除き600Vビニル絶縁ビニルシールケーブル平形(VVF)を用いたケーブル工事である。
2.屋内配線等の電線の本数、電線の太さ、その他、問いに直接関係のない部分等は省略・簡略化してある。
3.漏電遮断器は、定格感度電流30mA、動作時間0,1秒以内のものを使用している。
4.選択肢(答え)の写真にあるコンセント及び点滅器は、「JIS C 0303:2000 機内電気設備の配線用図記号」で示す「一般形」である。
5.電灯分電盤及び動力分電盤の外箱は金属製である。
6.ジョイントボックスを経由する電線は、すべて接続箇所を設けている。
7.3路スイッチの記号「0」の端子には、電源側又は負荷側の電線を結線する。


問48

図は、鉄骨軽量コンクリート造店舗平屋建の配線図である。
この図に関する下記の問題に答えなさい。

------------
⑱で示すVVF用ジョイントボックス内の接続をすべて圧着接続する場合、使用するリングスリーブの種類と最小個数の組合せで正しいものは。
ただし、接地配線も含まれるものとする。
------------

【注意】
1.屋内配線の工事は、特記のある場合を除き600Vビニル絶縁ビニルシールケーブル平形(VVF)を用いたケーブル工事である。
2.屋内配線等の電線の本数、電線の太さ、その他、問いに直接関係のない部分等は省略・簡略化してある。
3.漏電遮断器は、定格感度電流30mA、動作時間0,1秒以内のものを使用している。
4.選択肢(答え)の写真にあるコンセント及び点滅器は、「JIS C 0303:2000 機内電気設備の配線用図記号」で示す「一般形」である。
5.電灯分電盤及び動力分電盤の外箱は金属製である。
6.ジョイントボックスを経由する電線は、すべて接続箇所を設けている。
7.3路スイッチの記号「0」の端子には、電源側又は負荷側の電線を結線する。


問49

図は、鉄骨軽量コンクリート造店舗平屋建の配線図である。
この図に関する下記の問題に答えなさい。

------------
⑲で示すVVF用ジョイントボックス内の接続をすべて差込形コネクタとする場合、使用する差込形コネクタの種類と最小個数の組合せで、正しいものは。
ただし、使用する電線はすべてVVF1.6とする。
------------

【注意】
1.屋内配線の工事は、特記のある場合を除き600Vビニル絶縁ビニルシールケーブル平形(VVF)を用いたケーブル工事である。
2.屋内配線等の電線の本数、電線の太さ、その他、問いに直接関係のない部分等は省略・簡略化してある。
3.漏電遮断器は、定格感度電流30mA、動作時間0,1秒以内のものを使用している。
4.選択肢(答え)の写真にあるコンセント及び点滅器は、「JIS C 0303:2000 機内電気設備の配線用図記号」で示す「一般形」である。
5.電灯分電盤及び動力分電盤の外箱は金属製である。
6.ジョイントボックスを経由する電線は、すべて接続箇所を設けている。
7.3路スイッチの記号「0」の端子には、電源側又は負荷側の電線を結線する。


問50

図は、鉄骨軽量コンクリート造店舗平屋建の配線図である。
この図に関する下記の問題に答えなさい。

------------
この配線図で、使用されないコンセントは。
------------

【注意】
1.屋内配線の工事は、特記のある場合を除き600Vビニル絶縁ビニルシールケーブル平形(VVF)を用いたケーブル工事である。
2.屋内配線等の電線の本数、電線の太さ、その他、問いに直接関係のない部分等は省略・簡略化してある。
3.漏電遮断器は、定格感度電流30mA、動作時間0,1秒以内のものを使用している。
4.選択肢(答え)の写真にあるコンセント及び点滅器は、「JIS C 0303:2000 機内電気設備の配線用図記号」で示す「一般形」である。
5.電灯分電盤及び動力分電盤の外箱は金属製である。
6.ジョイントボックスを経由する電線は、すべて接続箇所を設けている。
7.3路スイッチの記号「0」の端子には、電源側又は負荷側の電線を結線する。